V&T V5-H Frequency Inverter 380V Motor Speed Control AC

Still deciding? Get samples of $ !
Request Sample

Product Description

Technical Specifications

Model NO.
V5-H
Principle of Work
Vector Control Transducer
Switch Mode
PWM Control
Main Circuit Type
Voltage
Voltage Type
Low Voltage Variable-Frequency Drive
Link Type
AC-DC-AC Variable-Frequency Drive
Functionality
Simple Type, Elevator Special, Textile Special, Constant Torque Universal Type
Packing
Wood Case
HS Code
8504409999
Origin
China

Product Overview

V5-H Series high performance vector control inverter represents a new dimension in AC drive solutions. For over two decades, various industry sectors have been reaping the benefits of cost-effective, performance-oriented AC Drive solutions. The V5-H is built to deliver powerful performance, producing a starting torque of 180% at 0.5Hz, which provides superior control at low-speed. Its compact size enables significant panel-size reduction, facilitating space-efficient designs.

Main Features

1
Power Range: 0.4 kW to 450kW
2
V/F Sensorless Vector Control & Slip Compensation
3
180% Starting Torque at 0.25 Hz (Sensorless)
4
Built-in Component Life Monitor
5
Peer to Peer Communication for I/O Sharing
6
Integrated PLC Logic & Multi Keypad Support
7
Fault Memory: Stores last 5 faults
8
RS485 Modbus RTU Communication Built-in

Industry Applications

HVAC & Central Air Conditioning
Plastic & Textile Machinery
Air Compressor Systems
Printing Equipment
Fans, Pumps & Blowers
Crane Control Systems
Food & Packaging Industry
AHU & ID/FD Fan Control

Visual Display

Frequently Asked Questions

What is the power range supported by the V5-H series?
The V5-H series covers a wide power range from 0.4 kW up to 450 kW, making it suitable for both small-scale and large industrial applications.
Does this inverter support low-speed high-torque starts?
Yes, it features high-performance sensorless vector control capable of delivering 180% starting torque at just 0.25 Hz or 0.5 Hz.
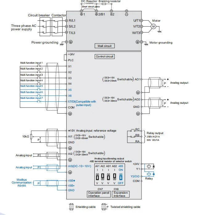
What communication protocols are integrated?
The unit comes with built-in RS485 Modbus RTU communication and supports peer-to-peer communication for efficient I/O sharing.
Can it be used for specialized machinery like cranes or elevators?
Absolutely. The V5-H is designed with specific modes for elevators, cranes, textiles, and constant torque universal applications.
How does the V5-H assist with maintenance?
It includes a component life monitor to track hardware health and a fault memory system that stores the last 5 fault logs for quick diagnostics.
Is the V5-H suitable for space-constrained panels?
Yes, its compact design is specifically engineered to reduce panel space requirements, allowing for more efficient electrical cabinet layouts.

Related Products