1 / 5
| Principle of Work | Vector Control Transducer |
| Switch Mode | High Carrier Frequency PWM Control |
| Main Circuit Type | Voltage |
| Voltage of Power Supply | Low Voltage Variable-Frequency Drive |
| Link of Transformation | AC-AC Variable-Frequency Drive |
| Nature of DC Power | Voltage Variable-Frequency Drive |
| Function | Simple Type, Elevator Special, Textile Special, Constant Torque Universal Type, Motor Soft Start |
| Task | Adjust |
| Structure | Open-Loop |
| Mathematical Model | Linear |
| Signal | Discrete |
| Certification | CE |
| Input Voltage | 1p 220V |
| Output Voltage | 3p 380V |
| Frequency | 50/60Hz |
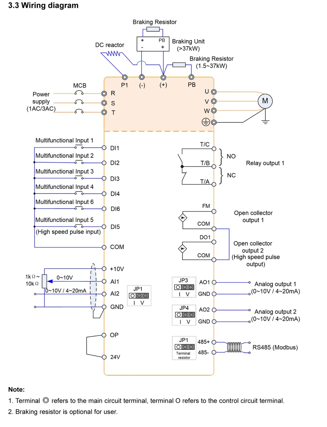
| Run Control | Keyboard / External Terminal / RS485 |
| Specification | A400T 1.5KW |
| Origin | China |



Pumps: Utilizes soft stop functions to relieve water hammer effects, saving maintenance costs.
Fans & Blowers: Reduces belt friction and mechanical conflict during startup.
Compressors: Current limitation functions realize smooth startup, reducing motor heating.
Conveyors: Ensures gradual startup to avoid product movement or liquid overflow.
Heavy Machinery: Suitable for Ball mills, Stone crushers, Pulverizers, and Food mixers.





